среда, 6 февраля 2013 г.

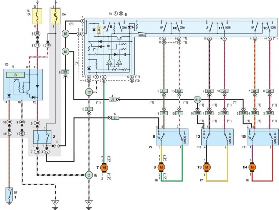
принципиальная схема контроллера стеклоподъемников

уведомлять меня о новых сообщениях в этой теме

 1 – выключатель в двери переднего пассажира; 2 – главное реле; 3 – силовой переключатель стеклоподъемников; 4 – реле контроля центрального замка; 5 – главный переключатель стеклоподъемников; 6 – переключатель двигателя стеклоподъемника в двери водителя; 7 – двигатель стеклоподъемника в двери водителя; 8 – двигатель стеклоподъемника в двери переднего пассажира; 9 – переключатель стеклоподъемника в двери переднего пассажира; 10 – переключатель двигателя стеклоподъемника в двери переднего пассажира; 11 – переключатель двигателя стеклоподъемника в задней левой двери; 12 – переключатель стеклоподъемника в задней левой двери; 13 – двигатель стеклоподъемника в задней левой двери; 14 – двигатель стеклоподъемника в задней правой двери; 15 – переключатель стеклоподъемника в задней правой двери; 16 – переключатель двигателя стеклоподъемника в задней правой двери 

RAV4 (I-поколение) Принципиальная схема. Стеклоподъемники моделей 1996 1997 гг.

RAV4 (I-поколение) Принципиальная схема. Стеклоподъемники моделей 1996 1997 гг. Форум Toyota RAV4 AutoPeople

Комментариев нет:

Отправить комментарий